Bremsen



Bremsanschrift einer 110

Führerbremsventil + E-Bremssteller

Im Gegensatz zu den Vorserienloks hat man die E 10-Serienloks mit einer elektrischen Widerstandsbremse ausgerüstet. Dies war wegen der größeren Höchstgeschwindigkeit nötig. Da die Bewegungsenergie proportional zum Quadrat der Geschwindigkeit wächst, ist für ein Abbremsen aus einer Geschwindigkeit von 150 km/h etwa 33 % mehr Energie abzuführen als bei einem Abbremsen aus einer Geschwindigkeit von 130 km/h. Bei Benutzung von Klotzbremsen wird die Bewegungsenergie in Wärmeenergie umgewandelt, die die Bremsklötze und Räder stark aufheizt. Dies hat einen hohen Bremsklotzverschleiß zur Folge und kann zum Loslösen des Radreifens führen.
Bei einer elektrischen Widerstandsbremse macht man sich zunutze, daß jeder Elektromotor zugleich als Generator wirken kann. Wird dem Läufer Strom zugeführt und im Ständer ein Magnetfeld erzeugt, so dreht sich der Läufer und kann zum Antreiben der Lok benutzt werden. Wird umgekehrt der Läufer durch die fahrende Lok bewegt und dafür gesorgt, daß im Ständer ein Magnetfeld erzeugt wird, so wird im Läufer eine Spannung induziert, die in einem Stromkreis einen Strom hervorrufen kann. Gleichzeitig wird die Lok abgebremst. Nun stellt sich aber die Frage, was mit diesem Bremsstrom geschehen soll. Da er phasenverschoben zum Fahrstrom ist, kann er nicht in die Oberleitung zurückgespeist werden. Daher läßt man den Bremsstrom über einen Bremswiderstand laufen, in dem der Strom in Wärmeenergie umgewandelt wird. Die Bremsleistung der Lok wird bei diesem Verfahren allerdings durch die Größe des Bremswiderstandes beschränkt. So hat der Bremswiderstand bei der E 10 einen Widerstandswert von 0,189 Ohm und eine Dauerleistung von 1200 kW. Bei dieser Leistung kann die durch die Erwärmung des Widerstandes auf 550°C auftretende Wärme gerade noch durch den Widerstandslüfter abgeführt werden. Der Lüfter saugt die Luft aus dem Maschinenraum an und drückt die Warmluft aus der kleinen Dachhaube ins Freie. Kurzzeitig kann die Bremsleistung bis auf 2500 kW erhöht werden.
Wie schon erwähnt wurde, kann der Läufer nur bremsend wirken, wenn im Ständer ein Magnetfeld (eine Erregung) vorliegt. Dieses Magnetfeld kann zum Beispiel dadurch erzeugt werden, daß nach anfänglicher Erregung durch die Lok-Batterie ein Teil des vom Läufer erzeugten Stroms für die weitere Erregung abgezweigt wird. Dieses Verfahren hätte aber den Nachteil, daß sich die Bremsleistung ständig verändern würde. Je langsamer der Läufer würde, desto weniger Strom würde er erzeugen, womit das Magnetfeld immer schwächer und die Abbremsung des Läufers immer geringer würde. Um eine konstante Bremskraft zu erhalten, muß das Magnetfeld mit langsamer werdendem Läufer immer stärker werden. Dies erreicht man mit einer an der Lokachse angebrachten Tachomaschine, die die vom Loktrafo gelieferte Erregerspannung von 40,5 V in Abhängigkeit von der Achsgeschwindigkeit variiert. Man nennt diese Bremse daher "fremderregte, fahrleitungsabhängige Gleichstrom-Widerstandsbremse".
Die elektrischen Bremsen der ersten Serien-E 10 lassen sich allerdings nicht stufenlos stellen. Es stehen vielmehr nur fünf Stufen zur Verfügung, in denen 
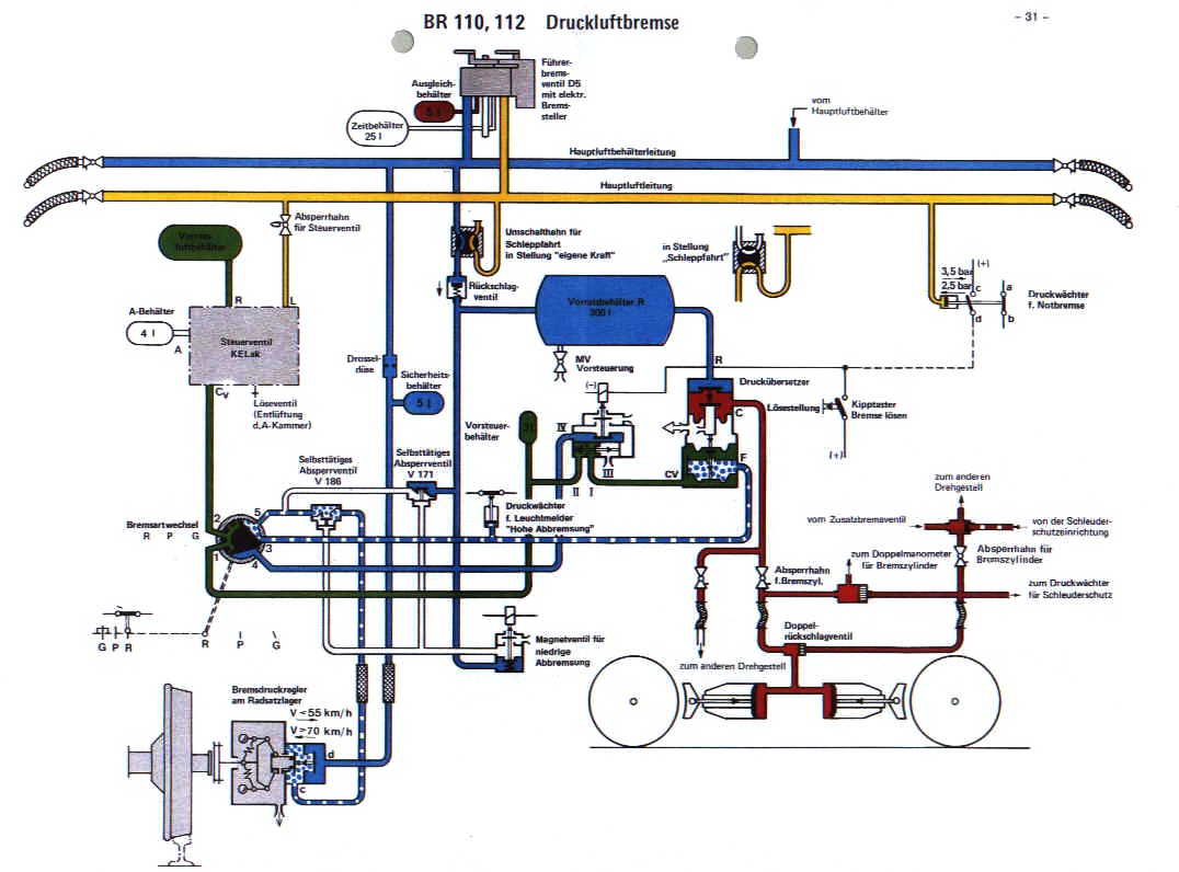
20 %, 40 %, 60 %, 80 % oder 100 % der vollen Bremskraft wirksam werden. Da man bei den Altbau-Elloks der Baureihen E 44 und E 94, die mit elektrischer Bremse ausgerüstet waren, beobachtet hatte, daß diese Bremse von den Lokführern selten genutzt wurde, hat man den elektrischen Bremssteller der Neubau-Elloks mit dem Führerbremsventil gekoppelt. Der Lokführer hat damit die Möglichkeit, den elektrischen Bremssteller zu lösen und beide Bremsen getrennt zu bedienen. Dies wird er bei längeren Gefällestrecken tun. um die Bremsklötze zu schonen. Ansonsten wirken dank der Kopplung der Bedienungshebel immer elektrische und Druckluft-Bremse zusammen. Beim gekuppelten Bremsen wird bei wirkender elektrischer Bremse die Druckluftbremse nur vorgesteuert. Der vom Steuerventil gegebene Vorsteuerdruck kann durch die Absperrung des erregten Magnetventils für Vorsteuerung jetzt nicht wirksam werden. Dieser Zustand bleibt bis zum Abschalten der elektrischen Bremse erhalten. Beim Ausfall der elektrischen Bremse setzt sofort die entsprechend vorgesteuerte Druckluftbremse mit „hoher" bzw. unterhalb 55 km/h mit „niedriger" Abbremsung Bei der Betriebsbremsung wirkt die elektrische Bremse im Bereich von 150 bis 25 km/h. Darunter übernimmt die Druckluftbremse das Abbremsen. Beim Ausfall der elektrischen Bremse übernimmt die Druckluftbremse bei jeder Geschwindigkeit das Abbremsen. Die Loks der Baureihe 110/113 sind mit einer Durchgehende selbsttätige  mehrlösigen Druckluftbremse der Bauart KE sowie den Bremsstellungen G P R ausgerüstet Die Betätigung des Steuerventils erfolgt durch die Führerbremsventile der Bauart D5. In den Lokomotiven sind Steuerventile und Druckübersetzer eingebaut. Die vier Bremszylinder der Lokomotive werden über den Druckübersetzer aus einem 3OO Lieter Vorratsluftbehälter mit Bremsluft versorgt. Fahrgeschwindigkeitsabhängig wird der Druckübersetzer vom Bremsdruckregler am Radsatzlager gesteuert. Dieser wird vom Radsatz 2 - linke Lokseite - angetrieben. Die Umschaltung von „hohe" auf „niedrige" Abbremsung erfolgt bei Geschwindigkeiten kleiner als 55 km/h. Der höchste Bremszylinderdruck beträgt bei hoher Abbremsung 8 bar und bei niedriger Abbremsung 3,8 bar. Die hohe Abbremsung wirkt nur in Bremsstellung ,,R". ein. An jedem Drehgestell findet man zwei Bremszylinder, und die Bremsklötze und das Bremsgestänge, das zwecks guter Wartungsmöglichkeiten möglichst einfach und gut zugänglich ausgeführt wurde.
 


 

Bremsgestänge.jpg (49503 Byte)Druckluftbremse 110.jpg (150971 Byte)
Bremszylinder Funktion bitte  klicken

 

Zurück ] Nach oben ] Weiter ]